PRODUCTS材料繰り出し装置「ロータリアン・エスカルゴ」

お客様の材料に応じたオプション、もしくは設計が可能です。
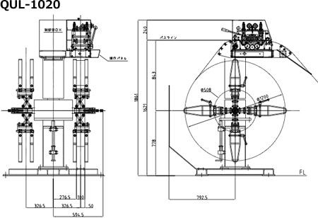
S型ロータリアンは、水平ストレート式ヘッドの採用により、張力ゼロからの調整が可能です。積載高さによるヘッドの昇降はハンドル式の為コイルが替わっても張力調整は必要ありません。水平ストレート式ヘッドではウエイトは必要なく稼働中でも張力調整が可能です。複数コイルが乗ったパレットごとテーブルにセット出来るので材料管理が楽になり段取り時間の短縮になる機能を有しています。
ロータリアン -水平(横回転)金属材フープ(コイル)材料、材料繰り出し装置

材料をパレットに載せたまま回転テーブルに設置可能。
急旋回、急停止ができる制御装置を搭載しています。



※表はスライドしてご覧いただけます。
| 型式 | 材料置き テーブル径 |
繰出し速度 | 対応材料厚/ 材料幅 |
備考 | 図面 |
|---|---|---|---|---|---|
| S-600 | Φ600㎜ | 1.8~18m/3.6~36m | 0.2~1.2㎜厚/ 20~120㎜幅 |
省スペース製品 | |
| S-900 | Φ900㎜ | 1.8~18m/3.6~36m | 0.1~1.2㎜厚/ 5㎜~120㎜幅 |
材料径に応じで、 テーブルΦ1200、Φ1500のオプション |
|
| R-900 | Φ900㎜ | 1.8~18m/3.6~36m | 0.1~1.2㎜厚/ 5㎜~120㎜幅 |
材料径に応じで、 テーブルΦ1200、Φ1500のオプション |
S型 - 材料繰り出しガイドはスライド式 水平送り
R型 - 材料繰り出しガイドは、振り子式 垂直送り
エスカルゴ - ダブルアンコイラー型、ラフレベラー搭載装置

レベラーとアンコイラーを一体化させる事により、設備スペースが大幅に縮小します。



※表はスライドしてご覧いただけます。
材料繰り出し装置・及びその他の装置

500Kg以上の重量フープ材、トラバース材などを繰出します。ピンチローラーは移動がスムーズ。





※表はスライドしてご覧いただけます。














